Главная
  • Главная
  • О компании
  • Услуги
  • Сделать заказ
  • Сертификаты
  • Проекты
  • Новости
  • Контакты
Ru En
+7 (3412)
90-80-61
info@npogs.ru
Главная » Гидрооборудование » Гидроцилиндры » Гидроцилиндры на шпильках

Гидроцилиндры на шпильках

Пример обозначения

Тип
гидроцилиндра

Диаметр
поршня

Диаметр
штока

Ход

Исполнение

ГЦШ-

40-

22-

100-

01-

 

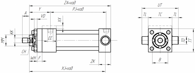
ГЦШ Исполнение 00

ГЦШ Исполнение 01

ГЦШ Исполнение 02

ГЦШ Исполнение 04 (на лапах)

ГЦШ Исполнение 04 (передние цапфы)

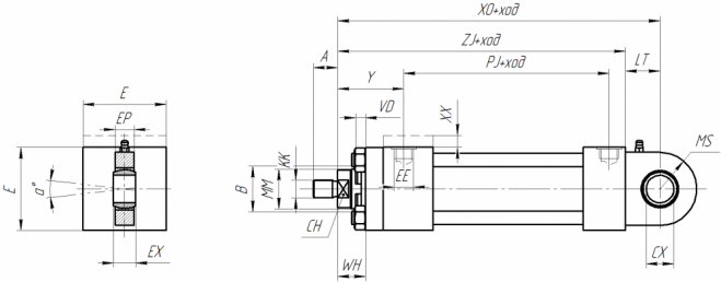
ГЦШ Исполнение 05

ГЦШ Исполнение 06

ГЦШ Исполнение 07

ГЦШ Исполнение 08

ГЦШ Исполнение 09

ГЦШ Исполнение 10

ГЦШ Исполнение 11

ГЦШ Исполнение 12

ГЦШ Исполнение 13

ГЦШ Исполнение 14

ГЦШ Исполнение 15

ГЦШ Исполнение 16

ГЦШ Исполнение 17

Новости

5 октября 2017 г.
Участие в международной нефтегазовой выставке ADIPEC-2017
19 июля 2017 г.
,
Иннопром. Повторное участие и снова результативно
5 апреля 2017 г.
, ,
«НПО «Гидросистемы» осваивает рынок Индии
14 февраля 2017 г.
Мы празднуем юбилей - 5 лет!!!
Перейти к новостям→
  • Пневмооборудование
    • Клапаны / Фильтры
    • Пневматические цилиндры
    • Усилители давления SMC
    • Пневмодроссели / Обратные клапаны
    • Пневмораспределители
    • Подготовка сжатого воздуха
    • Резьбовые соединения / Трубки
    • Гильзы, профили, поршни для пневмоцилиндров
  • Нефтяное оборудование
    • Струйные нефтяные насосы УЭОС
      • Устройство УЭОС-5
      • Устройство УЭОС-4
      • Устройство УЭОС-2
      • Устройство УЭОС-7
    • Эжекторные устройства
      • ЭЖГ-70
      • ЭГС-1
    • Пакеры
    • Магнитные ловители
  • Нестандартное оборудование
    • Пневмошкаф до 40 Мпа
    • Шкафы управления
    • Испытательное оборудование
    • Маслоохладители
    • Многоканальный гидравлический соединитель (Ротатор)
    • Мультипликаторы
  • Гидрооборудование
    • Гидростанции
    • Гидроцилиндры
    • Рукава высокого давления РВД
    • Фитинги и трубки
      • комбинированное уплотнение (USIT кольцо)
      • трубка гидравлическая
      • Заглушка для отверстий VSTI M/R-ED
      • Проходной соединитель G
      • Ввертной прямой фитинг GE
      • Регулируемый угловой фитинг WEE
      • Фитинг типа «банжо» WH-R-KDS
      • Угловой фитинг W
    • Шестеренные насосы
    • Фильтры
      • Всасывающие фильтры
      • Напорные фильтры
      • Сливные
      • Заливные горловины
    • Гидромоторы и насосы PSM
    • Гидрораспределители
Реализованные проекты

Гидроцилиндры на шпильках

  • ГЦШ Исполнение 00
  • ГЦШ Исполнение 01
  • ГЦШ Исполнение 02
  • ГЦШ Исполнение 04 (на лапах)
  • ГЦШ Исполнение 04 (передние цапфы)
  • ГЦШ Исполнение 05
  • ГЦШ Исполнение 06
  • ГЦШ Исполнение 07
  • ГЦШ Исполнение 08
  • ГЦШ Исполнение 09
  • ГЦШ Исполнение 10
  • ГЦШ Исполнение 11
  • ГЦШ Исполнение 12
  • ГЦШ Исполнение 13
  • ГЦШ Исполнение 14
  • ГЦШ Исполнение 15
  • ГЦШ Исполнение 16
  • ГЦШ Исполнение 17

© ООО «НПО «Гидросистемы»
Разработка сайта - СЦТ Радуга
Политика конфиденциальности